金屬管浮子流量計的正確使用和日常維護
一、金屬管浮子流量計結構原理
金屬管浮子流量計是由下而上的流體通過直立的測量管時,浮子在壓差的作用下上升、浮子上升的高度即代表流量的大小。并通過浮子中的磁鋼與指示器中的磁鋼耦合聯結傳遞給指示器,帶動指示器中的指針轉動。

二、金屬管浮子流量計使用與維護
1、安裝金屬管浮子流量計之前一定要將管道內的焊渣、雜物清理干凈。
2、流量計必須垂直于地面安裝其傾斜度不得超過2°,否則會影響測量準確度。
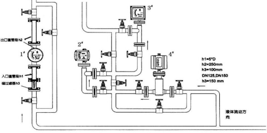
3、為了確保流量計的測量準確性,應在流量計的進口端增加不少于10DN的直管段,出口端不少于5DN的直管段,測量時調節控制閥必須安裝在流量計的下游。
4、若被測介質為大的脈動流或兩相流,應在流量計的上游安裝緩沖器來消除或減弱脈動,保證介質的流動是單相穩定的,同時,建議流量計*好使用阻尼型的。
5.若被測介質較臟或含有導磁顆粒時,應在流量計的上游安裝過濾器或磁過濾器。
6、流量計的安裝應能適當支撐管道的振動或減少流量計的軸向負荷,否則應增加固定流量計的支撐。
7、為了便于流量計的保養維修,磁過濾器的清洗以及用戶管路的定期維護保養,建議使用旁路管道。當流量計用于氣體測量時,應保證管道內的工作壓力不少于5倍流量計的壓力損失,使流量計能夠穩定正常動作。

8、對電遠傳及帶報警限位開關的流量計在使用前,打開儀表蓋,按接線圖示正確接線。對于報警型的旋松限位開關處的螺絲,用戶根據需要設定限位報警位置,并旋緊螺絲,復原后使用。
9、按儀表指示器中的警示牌,取出運輸中防止浮子振動的阻動件,復原后再使用儀表。
10、若開啟流量計時,由于管道內沒有壓力或系統還未達到儀表正常使用的工作壓力,必須緩慢開啟控制閥,直到系統正常,儀表方可使用,否則容易造成指針跳動或浮子的突然撞擊而損壞的現象。
11、用戶使用時,若被測流體的密度與水不同時,或被測氣體的參數和工作狀態與制造廠家規定不同時應對流量計示值讀數進行換算。
三、金屬管浮子流量計常見故障及排除


上一條:孔板流量計的安裝要求和管道條件
下一條:渦街流量計的安裝步驟和安裝點的選擇(圖解)
騰泰儀表推薦
相關公司動態
- TT-UFZ簡易式重錘浮標液位計和TT-UFZ翻板式重錘浮標液位計的區別
- 定制HC膜片液位變送器TT-2088G-2M
- 1/2螺紋特殊定制阻旋料位開關
- 差壓變送器一般常見故障
- 氣體渦輪流量計的工作原理和日常維護
- 超聲波明渠流量計的技術參數和接線方法
- 手持式超聲波流量計的工作原理和主要用途
- 流量差報警儀的應用范圍、基本參數和操作方法
- 智能流量積算儀的概述和基本操作
- 電浮筒液位計的原理和應用范圍
- 投入式液位變送器原理、結構及安裝調試
- 智能旋進旋渦流量計的使用方法及參數切換設置
- 液位上下限報警控制、液位高低報警控制及無線
- 超聲波液位計的裝置與設置
- 防爆型超聲波液位計的裝置方式及注意事項
- 氣體腰輪流量計的造型要求和安裝注意事項
- 旋進旋渦流量計與氣體渦輪流量計的主要區別
- TT-LWGY系列渦輪流量計的用途和原理
- 孔板流量計的特點
- TT-UQK浮球液位控制器的調試和安裝
- 磁翻板液位計的安裝保養
- 氣體渦輪流量計如何安裝
- 分體式超聲波液位計接線圖
- 投入式液位變送器在靜、動水中的電氣連接
- 導波雷達物位計測量原理技術要求
- 插入式電磁流量計安裝要求
- 氣體渦輪流量計的使用和維護
- 孔板流量計的安裝要求和維護注意事項
- 浮標液位計的安裝與使用
- 雙金屬溫度計的種類和用途

