V錐流量計產品特點、原理及安裝使用說明
V錐流量計是一款流量丈量儀表,主要用于液體、氣體、蒸汽的流量丈量,V錐型流量計分一體式與分體式兩種方式。V錐流量計與其他流量儀表相比,具有長期精度高、穩定性好,受裝置條件局限小、耐磨損、丈量范圍寬、壓損小、合適贓污介質等優點。傳統差壓儀表的特性基于理想的活動狀態;而實踐上這種情況在真實應用中基本不存在。任何管道布置上的變化,如彎頭、閥門、縮徑、擴徑、泵、三通接頭號都會毀壞充沛開展流。普通流量儀表很難在擾動活動中獲得正確丈量值,V型錐流量計克制了這些缺陷。V錐流量計該安裝普遍的應用于石油、化工、自然氣、礦山、冶金、鋼鐵、電力、水利、給排水、造紙、制糖、制藥、飲料、紡織、印染、化纖、環保和市政工程等范疇的計量與丈量。特別在丈量焦爐煤氣、高爐煤氣、自然氣、煙道氣、液化石油氣等有機氣體及原料油、漿液等高粘度、污染介質中,V錐流量計具有共同的優勢。
在極惡劣的裝置條件下,如上游有兩個不在同一平面上的彎頭,而且很靠近錐體,V型錐體也能使速度散布變得平整和對稱,從而確保了丈量精度。 由于V錐流量計的節流緣是鈍角,活動時構成邊境層,使流體分開了節流緣。邊境層效應使齷齪流體不能磨損節流緣,其值長期不變。因而無需反復標定,具有長期的穩定性。顯著改善了傳統差壓流量計的運用局限,進步了準確度和反復性,裝置時簡直無直管段請求,自清洗功用,適用于容易結垢的臟污介質,氣液兩項丈量。是一種接近理想狀態的節流安裝。
二、V錐流量計裝置辦法
1、V錐流量計丈量液體流量
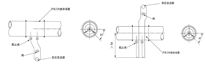
(1)差壓變送器*好裝置在內錐體安裝的下方,這樣能夠防止液體中氣體進入導壓管和變送器中。
(2)假如變送器不得不裝置在內錐體安裝的上方,為了減少液體中的氣體進入導壓管內,應在內錐體安裝和導壓管之間裝U型彎管,且彎頭下端至少低于管道中心1米。
(3)在程度或傾斜的管道上,假如將導壓管裝在內錐體安裝的上半部,這樣導壓管內會積聚氣體,假如裝在內錐體安裝的下半部,會使堆積物落入導壓管內。因而,導壓管應自內錐體安裝的程度中心線兩端引出,或自程度向下小于45度引出。

2、V錐流量計丈量蒸汽流量
(1)為了保證變送器不受蒸汽高溫的影響,在變送器和內錐體安裝之前必需裝置兩個位于同一高度的冷凝器,并在冷凝器、導壓管和高、低壓室內充溢冷凝水,防止高溫對變送器的影響。
(2)差壓變送器*好裝置在內錐體安裝的下方,這樣能夠防止氣體進入導壓管和變送器中。冷凝器應裝置在盡可能量靠近內錐體安裝處。
(3)假如差壓變送器不得不裝置在內錐體安裝的上方,應把冷凝器裝在高于差壓變送器的中央。
(4)以上裝置辦法均在靠近變送器的中央裝有閥,以供吹洗導壓管。同時在V錐流量計和冷凝器之前的導壓管上應加保溫層。

3、V錐流量計丈量氣體流量
(1)差壓變送器*好裝置在內錐體安裝的上方,這樣能夠使導壓管內所產生的冷凝液流回管道。
(2)假如變送器不得不裝置在內錐體安裝的下方,為了減少水份凝結在導壓管內,應從內錐體安裝引出導壓管裝U型彎管,且彎管頭上端至少高于管道中心1米。
(3)在程度或傾斜的管道上,為了防止管道中冷凝液進入導壓管,導壓管應自內錐體安裝的程度中心線上半部引出。
(4)若氣體中含有污物或灰塵,在導壓管的轉彎中央應裝置十字接頭,以便清洗或吹洗。

1 V錐流量計的工作原理
1.1 V錐流量計的理論根據。
V錐流量計是一種差壓式流量儀表,其理論是基于封鎖管道中能量之間互相轉化的貝努力定律,即在穩定流量的狀況下,管道中的流速與差壓的開方成正比。
1.2 V錐流量計的構造特性。
V錐流量計固然也是差壓式流量計,但是它打破了傳統差壓式流量計的許多局限性,應用同軸裝置在管道中的節流件。所不同的是,普通截流安裝的小流通截面為圓形,而V錐流量計小流通截面為環形。當流體流經懸掛在管道中的V型錐與管壁所構成的間隙,流體流速加快,在V錐的大端到達大,在V錐的下游處構成一個低壓端,從而在V錐前后產生差壓,經過對差壓的丈量到達對流量的丈量。由于V錐流量計節流件的共同構造,流體在管道內不是急速收縮,流體壓力的變化是比擬平滑的,壓差信號愈加穩定。因而,V錐流量計能保證流量,特別是小流量的丈量。與此同時,又由于懸掛軸心與V錐形體構造的特性,當流體接近V錐時,管道中心流速變慢,管壁左近流體流速逐步加快,自動構成的高速流體直接沖刷內錐節流件和管道內壁,從而自動完成打掃工作,防止了臟污介質的粘附與堆砌。因而,V錐流量計十分合適液體中含氣,氣體中含水以及液體或氣體含有固定顆粒或其他雜質的介質的流體丈量。
2 V錐流量計的性能及其特性
2.1 V錐流量計產生愈加穩定的壓差信號、愈加精確的小流量丈量。
孔板的壓差是經過中間開孔的節流件,讓流體忽然收縮,活動發作改動,從而產生壓差;V錐流量計是經過懸掛軸心的錐形體,讓流體逐步收縮使活動平滑的發作改動,這樣就削弱了壓力動搖的幅值,使之產生的壓差信號愈加穩定,能分辨的壓差信號更小,更有利于小流量的丈量。
2.2 V錐流量計所丈量的流量范圍更寬。
由于V錐流量計共同的構造,使得在低流速時仍然能產生足夠分辨的壓差,使得壓差的量程下限比傳統壓差儀表低,量程得以向下限擴展到15:1。
2.3 V錐流量計有很高的反復性,丈量精度高。
V錐流量計反復性優于±0.1%;丈量精度優于±0.5%。
2.4 V錐流量計與傳統的儀器相比具有耐磨損、自行清洗、長期穩定性好、運用壽命長等特性。
V錐流量計中的V型錐體,在流體活動時會在V型錐體外表構成附面層,在流體分開V行錐體節流尾端時,由于附面層效應,引導流體分開,減少被磨損的可能;同時其自有的紫情節特征,使其節流尺寸長期穩定不變,因此具有長期穩定性。
2.5 V錐流量計短的直管段請求。
普通上游在0~3D,下游在0~1D,V錐流量計的上游側如裝有閥門,流量計與閥門之間的間隔應保證3D。孔板等傳統差壓儀表應用于丈量時,在大多數現場要滿足較長的直管段請求是艱難的,從而帶來附加的丈量誤差,V錐流量計的錐體構造,起到了一個流場整流器的作用,重新布置了上游的流速散布,即便在惡劣的裝置條件下,也能使流速的散布變得平整和對稱,從而確保了丈量精度。
2.6 V錐流量計具有很小的壓損和牢靠的性能。
由于V錐流量計體的出口邊緣不是銳利的緣故,同時流體的壓力變化是平緩的,因此有摩擦所產生的漩渦帶來的壓力損失會更小;同時,V錐流量計無可動部件,因而運用起來更牢靠。
2.7 V錐流量計采用一體化構造設計。
V錐流量計把節流件、傳感器、智能電路、顯現器、通訊單元組成一體,裝置時用戶只需焊接配對法蘭即可,取消了傳統的差壓流量計的引壓管路,簡化了裝置程序,減少了裝置時間和費用,減少了泄露和維護量,運用戶愈加便當。
2.8 V錐流量計具有的流質變速器和的多變量丈量技術。
V錐流量計采用國內技術消費的傳感器內核,采用了的直接數字電路替代模仿信號放大電路及A/D轉換電路,進步了丈量精度;與此同時,二線制變送器帶有同時工作的多只傳感器,能夠同時檢測顯現壓差、壓力、溫度、流量等多個指標。
2.9 V錐流量計具有全面的補償功用和強大的智能功用,并且運用靈敏、便當。
V錐流量計合適介質比擬
V錐流量計能夠在線動態的對影響丈量精度的多種要素(例如:溫度、壓力、雷諾數、流場系數、可收縮系數、緊縮系數等)停止了動態全補償,進步了流量計的丈量精度;V錐流量計具有自診斷、組態、循環顯現、通訊、斷電維護和進步設備管理信息等功用;V錐流量計可采用用戶恣意指定的變送器停止組態,輸出4~20mA壓差或流量信號。
惠科達儀表-V錐流量計
3 V錐流量計裝置的技術請求和留意事項。
3.1 V錐流量計裝置的技術請求。
(1)V錐流量計裝置于管道時,
能夠是程度的,也能夠是傾斜的,還能夠是垂直的,但是應該以裝置和維護便當為宜。(2)V錐流量計必需裝置在與其公稱通徑相應的管道上。(3)V錐流量計的上下游直管段應該是圓形的,內壁潤滑,其內徑與流量計標稱內徑相同。(4)在裝置時,V錐流量計的流向必需與流體的流向分歧。假如裝置位置的環境溫度超越70°C,倡議采用分體裝置方式。(5)V錐流量計在上游側和下游側應配置一定長度的直管段,其長度應滿足上游0~3D,下游0~1D,長的直管段有利于流量的丈量。(6)在裝置V錐流量計時,應盡量保證流量計與上、下游的直管段同心。(7)假如現場的確需求裝置溫度計、調理閥等其他丈量、控制安裝,倡議裝置在V錐流量計的下游端2~5D處。
3.2 在裝置V錐流量計時,需求特別留意的事項。
(1)在選擇V錐流量計的型號時,應當依據用戶的請求、工藝參數和現場環境、分離V錐流量計的技術參數選用恰當的產品型號。(2)在選擇V錐流量計時,管道內徑均需按實踐內徑圓填寫。(3)選擇V錐流量計,在編寫型號時,功用局部僅適用于智能一體化的V型流量計。(4)在選擇V錐流量計時,要留意溫度壓力補償功用的選擇。a.在選擇V錐流量計時,測液體時不補償。b.在選擇V錐流量計時,測氣體時應帶溫度壓力補償。c.在選擇V錐流量計時,測飽和蒸汽時應帶溫度補償。d.在選擇V錐流量計時,測過熱蒸汽時應帶溫度壓力補償。(5)在選擇V錐流量計時,用戶指定變送器,應參照變送器技術參數,肯定一體化功用。
4 在選擇V錐流量計時,應參考的主要技術參數
4.1 采用國度規范:GB/T2624—1993,SY/T6143—2004,國內規范ISO5167。
4.2 丈量管徑:DN15—DN3000。
4.3 根本誤差:±0.5%,±1.5%,±2.5%。
4.4 反復性:±0.1%。
4.5 2.5MPa,4.0MPa,6.3Mpa,10.0MPa,16.0MPa,26.0MPa,42.0MPa(工作壓力)。
4.6 被測截至溫度:<550°C。
4.7 被測介質:液體、氣體(包括自然氣),蒸汽。
4.8 量程比:10:1。
4.9 直管段請求:上游0~3D,下游0~1D。
4.10 供電電源:(1)外界電源:24VDC。(2)內電源(內電池)供電:3.6VDC。
騰泰儀表推薦
相關公司動態
- TT-UFZ簡易式重錘浮標液位計和TT-UFZ翻板式重錘浮標液位計的區別
- 定制HC膜片液位變送器TT-2088G-2M
- 1/2螺紋特殊定制阻旋料位開關
- 差壓變送器一般常見故障
- 氣體渦輪流量計的工作原理和日常維護
- 超聲波明渠流量計的技術參數和接線方法
- 手持式超聲波流量計的工作原理和主要用途
- 流量差報警儀的應用范圍、基本參數和操作方法
- 智能流量積算儀的概述和基本操作
- 電浮筒液位計的原理和應用范圍
- 投入式液位變送器原理、結構及安裝調試
- 智能旋進旋渦流量計的使用方法及參數切換設置
- 液位上下限報警控制、液位高低報警控制及無線
- 超聲波液位計的裝置與設置
- 防爆型超聲波液位計的裝置方式及注意事項
- 氣體腰輪流量計的造型要求和安裝注意事項
- 旋進旋渦流量計與氣體渦輪流量計的主要區別
- TT-LWGY系列渦輪流量計的用途和原理
- 孔板流量計的特點
- TT-UQK浮球液位控制器的調試和安裝
- 磁翻板液位計的安裝保養
- 氣體渦輪流量計如何安裝
- 分體式超聲波液位計接線圖
- 投入式液位變送器在靜、動水中的電氣連接
- 導波雷達物位計測量原理技術要求
- 插入式電磁流量計安裝要求
- 氣體渦輪流量計的使用和維護
- 孔板流量計的安裝要求和維護注意事項
- 浮標液位計的安裝與使用
- 雙金屬溫度計的種類和用途

