小屏無紙記錄儀
一、小屏無紙記錄儀技術指標
1、屏幕:128*64點陣藍屏液晶顯示器(LCD)
2、精度:實時顯示:±0.2% F.S.;追憶精度:±0.2% F.S.
3、處理器:采用高性能的ARM Cortex-M3 32位的RISC內核,可同時實現多路信號采集、記錄、顯示和多路報警
4、存儲模塊:采用大容量并行NAND FLASH閃存芯片存貯歷史數據,采用串行FRAM存儲芯片存貯系統配置參數等關鍵信息
5、輸入規格:全隔離**輸入,*大支持4路模擬量輸入+1路頻率輸入
6、輸入功能:
(1)電壓輸入:0-5V、1-5V、0-20mV、0-100mV
(2)電流輸入:0-10mA、4-20mA,(0-20mA輸入需在訂貨時注明)
(3)電阻輸入:Res
(4)頻率輸入:頻率信號(PI)(頻率范圍:0.5-5000HZ,*大頻率范圍可定制)
(5)熱電阻:PT100、Cu50、G53、Cu100、BA1、BA2(要求三線電阻平衡,引線電阻<10Ω)
(6)熱電偶:S、B、K、T、R、E、N、J
(7)輻射高溫計:F1、F2
(8)鎢錸:WRe3-25、WRe5-26
7、輸出功能:
(1)配電輸出:變送器集中配電+24VDC,標準配電<30mA(*大負載能力可定制),支持多種規格集中配電(如12VDC、5VDC配電輸出)
(2)變送輸出:*多支持2路通道的4-20mA標準電流變送輸出,負載能力750Ω(*大),方便了顯示儀表或DCS/PLC的采集,實現了信號的長距離傳輸
(3)繼電器報警輸出:*多支持4路繼電器報警輸出,觸點容量3A@220VAC/1A@30VDC,可組態上上限、上限、下限、下下限報警
8、通訊打印:
(1)通訊接口:RS232C或RS485,支持Modbus RTU協議,波特率----(1200、2400、9600、19200、38400、57600)
(2)打印接口:RS232C直接連接微型打印機,波特率1200
9、記錄功能:
(1)記錄容量:64/128/192/248MB(FLASH容量可選擇);
(2)記錄間隔:1秒至240秒,共分11檔:1/2/4/8/12/24/36/60/120/180/240秒可選;
(3)記錄時間:記錄時間的長短與FLASH存儲器容量、輸入點數、記錄間隔有關,計算公式如下(代入數值的單位要與公式中一致):
10、數據轉存:數據備份和轉存:支持USB 1.1 、2.0 優盤,支持1G到16G的U盤進行數據轉存,兼容性強,可兼容市面上絕大多數的U盤(推薦使用工業版優盤)
11、供電電源:220VAC,50HZ交流電源供電,支持24VDC(22VDC-28VDC)直流電源供電,支持12VDC(11.2VDC-16VDC)直流電源供電
12、保護功能:
(1)斷電保護:內置存儲器保護參數和歷史數據,斷電后**保存
(2)時鐘保護:集成硬件時鐘,掉電后也能準確運行
13、誤差精度:
(1)熱電偶冷端補償誤差:±2℃
(2)時鐘誤差:±2 秒/天
14、工作環境:
(1)環境溫度:0~50℃(避免日光直曬)
(2)環境濕度:0~85%R.H(無凝結)
15、儀表凈重:凈重:≤1.0Kg
二、小屏無紙記錄儀安裝接線
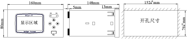
1、儀表尺寸
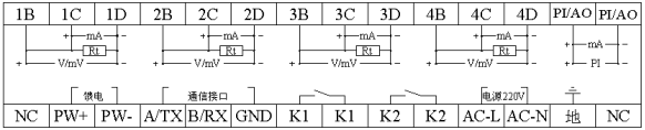
2、端子接線
3、交/直流電源輸入接線
4、輸入/輸出信號接線
5、變送器接線
6、繼電器觸點輸出接線
三、小屏無紙記錄儀使用及運行
1、鍵盤功能
2、使用模式
返回
傳真:0517-86842019
QQ:65283268
郵箱:tengtaiyibiao@126.com
地址:淮安市金湖縣金北街道辦陳橋工業集中區4-4號 ?







