法蘭連接型渦街流量計
一、法蘭連接型渦街流量計概述1、應用場合法蘭連接型渦街流量計是速度式流量計的一種,**應用于石油、化工、電力、輕 工、動力供熱等行業。2、工作原理法蘭連接型渦街流量計是由旋渦發生體、檢測探頭及相應的電···
訂購熱線:199-6183-9222
一、法蘭連接型渦街流量計概述
1、應用場合
法蘭連接型渦街流量計是速度式流量計的一種,**應用于石油、化工、電力、輕 工、動力供熱等行業。
2、工作原理
法蘭連接型渦街流量計是由旋渦發生體、檢測探頭及相應的電子線路等組成。當流體流經 旋渦發生體時,它的兩側就形成了交替變化的兩排旋渦,這種旋渦被稱為卡門旋 渦。斯特羅哈在卡門渦街理論的基礎上又提出了卡門渦街的頻率與流體的流速成正 比,并給出了頻率與流速的關系式:
f = St x V/d
式中:f:渦街發生頻率(Hz)
V:旋渦發生體兩側的平均流速(m/s)
St:斯特羅哈爾系數(一定雷諾數范圍內為常數)
d:旋渦發生體避流面寬度(m)
這些交替變化的旋渦就形成了一系列交替變化的流體升力,該升力作用在基于壓 電效應的檢測探頭上,便產生一系列交變電荷信號,經過前置放大器轉換、整形、 放大處理后,輸出與旋渦脫落頻率相同且與流速成正比的脈沖信號。
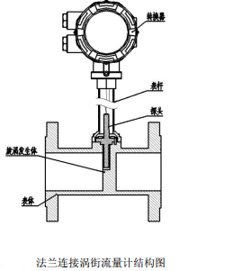
3、產品結構
法蘭連接型渦街流量計的基本結構主要是由表體、探頭、旋渦發生體、表桿和轉換器等組成。
二、法蘭連接型渦街流量計產品類型
1、脈沖輸出型
2、數字智能型
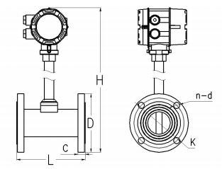
三、法蘭連接型渦街流量計尺寸

四、選型型譜
返回
上一條:法蘭卡裝式渦街流量計
下一條:卡箍式渦街流量計
產品中心
Product Center
聯系騰泰
咨詢熱線:0517-86842019
傳真:0517-86842019
QQ:65283268
郵箱:tengtaiyibiao@126.com
地址:淮安市金湖縣金北街道辦陳橋工業集中區4-4號 ?







