金屬管浮子流量計的工作原理以及常見故障的排
金屬管浮子流量計的工作原理以及常見故障的排除方法
金屬管浮子流量計構造簡單、工作牢靠、精確度高、適用范圍廣。與玻璃轉子流量計相比擬能耐較高的壓力。流量計具有就地指示、電遠傳、限位開關報警、耐腐蝕、夾套型、阻尼型和防爆等種類。普遍應用于國防、化工、石油、冶金、電力、環保、醫藥和輕工等部門的液體、氣體流量的丈量與自動控制。目前市場上的金屬管浮子流量計經過晉級換代,各方面的技術和加工程度有了新的進步,屬于新一代浮子流量計,其可用性能得到了進一步的進步,特性如下:浮子可轉動不易堵塞,磁性元件不受地磁場影響;采用次成型內外錐管一體式,穩固簡約丈量管無死角;低壓力損失設計,模塊化、智能化、卡件式指示器。丈量數據采用國內軟件修正,介質、粘度、密度、溫度、壓力相關參數的**計算,可有效保證丈量數據的準確可靠。目前在金屬管浮子流量計在市場中應用也在逐年進步。運用的量也越來越多,本文就金屬管浮子流量計丈量優勢和其應用中的檢修與改造做進一步的說明。
金屬管浮子流量計構造簡單、工作牢靠、精確度高、適用范圍廣。與玻璃轉子流量計相比擬能耐較高的壓力。流量計具有就地指示、電遠傳、限位開關報警、耐腐蝕、夾套型、阻尼型和防爆等種類。普遍應用于國防、化工、石油、冶金、電力、環保、醫藥和輕工等部門的液體、氣體流量的丈量與自動控制。目前市場上的金屬管浮子流量計經過晉級換代,各方面的技術和加工程度有了新的進步,屬于新一代浮子流量計,其可用性能得到了進一步的進步,特性如下:浮子可轉動不易堵塞,磁性元件不受地磁場影響;采用次成型內外錐管一體式,穩固簡約丈量管無死角;低壓力損失設計,模塊化、智能化、卡件式指示器。丈量數據采用國內軟件修正,介質、粘度、密度、溫度、壓力相關參數的**計算,可有效保證丈量數據的準確可靠。目前在金屬管浮子流量計在市場中應用也在逐年進步。運用的量也越來越多,本文就金屬管浮子流量計丈量優勢和其應用中的檢修與改造做進一步的說明。
它進一步進步了金屬管浮子流量計的可用性和優勢性:
1、可根據流量工藝參數懇求中止靈活設計。
例如,在低溫條件下,若介質趨向于結晶和凝固.或為防止低溫流體從外部吸熱.或當管路中溫度高于室溫的流體流過儀表,因溫度降落產生而惹起浮子動作不良、或流體粘度有顯著變化影響丈量的特種需求,可采用夾套保溫設計的流量計;流量脈動較大的,可選用有阻尼措施的流量計;夾套保溫型流量計可把夾層抽真空,抵達隔熱的效果,也可以讓高溫蒸汽流過夾層,以抵達加溫保溫之目的;丈量高溫流體時.在指示器前設計有散熱片。
2.耐高溫、耐高壓、耐腐蝕
可丈量高溫、高壓流體是金屬浮子流量計具有的優點之一,它能丈量溫度高達400℃和壓力高為70MPa的液體和氣體流量。在這種場所下已不能用人眼來觀察浮于的位置,而采用磁耦感應的顯現系統指示流量。流量計本身材料常常采用不銹鋼,有些襯以工程塑料,可丈量腐蝕性流體。
3.接口靈活
金屬浮子流量計能便當滿足現場管線安裝條件,其入口和出口可按需設計,有垂直流進水平流出結構,也可垂直流進垂直流出、水平流進流出,還可不同高度的水平流進水平流回等。
4.遠程測控、智能操作
金屬浮子流量計在諸多的情況下丈量現場沒有輔助電源,指針式顯現流量也無需外部電源驅動,通常顯現器設有模塊化遠程模擬信號輸出接口(4mA~20mA).更的還配備HART通訊協議兼容的數字接口,可便當借助于人工操作或PC編程方式對變送器的線性度中止標定和測試,或中止現場參數整定以及與計算機分離,以實施遠程測控。
金屬管浮子流量計檢修正造,了解金屬管浮子流量計的原理,快速判別金屬管浮子流量計缺點,快速掃除處置金屬管浮子流量計缺點對安裝不合理缺點頻出金屬浮子流量計改裝。
金屬浮子流量計在運用運轉過程中難免會產生缺點,比如經常卡住、動搖,指示不準等。依據我公司技術人員多年的檢修維護閱歷,總結如下:
1 金屬浮子流量計的工作原理
金屬浮子流量計丈量部分是由上大下小的錐管組成,錐管內有可以上下移動的金屬浮子,當丈量介質由下到上流過時推進金屬浮子上升,隨著金屬浮子上升高度增加,流體所經過面積增加介質流量增加,當上升介質流量與轉子重量及上下壓力抵達平衡時,穩定平衡在一定值。由于金屬浮子是移動的磁性體,將此時數值按比例耦合到就地指示表,模擬輸出顯現數值,就得到了流量值。此數值轉換成DC (4—20)mA信號保送到控制室DCS操作站顯現。
2 快速判別金屬浮子流量計缺點
在金屬浮子流量計維護檢修過程中,常見的缺點現象是儀表卡住不動,不能顯理想踐流量。根據金屬浮子流量計的結構原理掃除缺點的方法如下:
2.1 遠傳顯現缺點
金屬浮子流量計現場維護檢修時,經常是看到流量指示不變,固定在某一數值。此時*先步用“分割法”分析是顯現表電路部件缺點,還是流量計浮子卡住,還是傳輸信號線缺點,或是DCS控制室缺點。快速判別方法是,湊合地遠傳顯現部分與轉子部分固定螺絲松開,移動顯現部分改動其與轉子部分上下相互位置,模擬浮子動態流量時狀態。此時金屬浮子是固定不變的,應用浮子磁性原理,顯現器內的隨動磁鋼與浮子耦合聯動假設是浮子卡住不動,移動顯現部分其指針能夠正常改動顯現,證明顯現部分正常。假設指針不能改動查找遠傳顯現及信號電源缺點。缺點緣由有以下幾方面:
2.1.1 指針卡
緣由:
(1)震動,在其它設備檢修或儀表檢修時碰擊儀表指針變形松動,使指針變形不能反映理論流量值。處置方法是:用同等型號顯現表交流安裝調整;
(2)金屬浮子流量計玻璃面板損壞擠壓指針卡住。處置方法是:拆開顯現表改換玻璃面板。
2.1.2 指針顫抖
緣由:
(1)金屬浮子流量計指針由于管線和介質動搖會產生細微動搖;
(2)管線和介質由于操作壓力不穩產生稍大動搖;以上缺點可以和控制室聯絡查找操作緣由,調整工藝參數穩定壓力,溫度流量,增加金屬浮子流量計阻尼,改善工藝環境使流量計穩定。2.1.3 信號電源缺點
緣由:
(1)信號放大轉換部件損壞缺點;
(2)螺絲松動線路傳輸缺點;
(3)DCS控制站接線端子缺點;
(4)控制站I/O模塊缺點。掃除缺點方法是:用“分割法”在控制室控制站盤后端子丈量電壓DC(1—5)V,分析判別是現場缺點還是控制室缺點,缺點率高是端子螺絲松動,緊固螺絲缺點可以掃除。缺點不能掃除可以按端子線號查找DCS丈量模塊缺點,查找模塊缺點指示燈,看能否有缺點,也可用“交流法”改換同型號丈量模塊交流,看能否顯現正常。
2.2 浮子缺點
緣由:
(1)我廠在新項目開車投產時,金屬浮子流量計由于操作不當,快速翻開流量計前后截止閥,使浮子飛速上沖使止動器變形卡死;
(2)浮子在運轉過程中由于種種緣由變形不同心。
缺點掃除方法:將金屬浮子流量計拆下,用尖嘴鉗拆下卡簧,卸下拿出金屬浮子,記住金屬浮子方向,調整浮子及變形部件使之與上下同心。重新組合安裝,用手推進浮子或上下晃動,觀察能否自由活動正常。安裝到管線上時要改換同等大小密封墊,密封墊要契合管道壓力懇求,密封墊材質契合工藝介質參數。垂直安裝不能傾斜,上螺絲固定時,對角“較”緊,密封墊片均勻受力,不能有泄露。螺絲固定不能過緊防止墊片壓壞損壞,以防泄露。
金屬管浮子流量計浮子缺點頻次高。當操作站流量顯現不正常時,*先查找現場金屬浮子流量計轉子能否卡住。掃除不是遠傳顯現部分缺點。簡易有效辦法是運用防爆工具敲擊振動浮子。由于轉子磁性吸附作用,有許多金屬顆粒附著之上,致使轉子上下移動受阻卡住。敲擊振動后,部分顆粒渣滓會隨介質流出流量計,使金屬浮子流量計正常工作運轉。
在敲擊不能掃除缺點時只能拆卸流量計,清洗浮子,正確安裝后正常工作運轉。
我廠金屬浮子流量計有部分是丈量膠質液體,膠質本身具有一定粘度,運用朔料浮子及朔料襯里金屬浮子流量計時,朔料運用過程中會處置吸附金屬渣滓缺點,具有防腐蝕作用。但朔料浮子桿相對截面積增加,在運轉維護過程中又有新的問題呈現,當流量大時轉子桿頂部會吸住,只需拆卸重新安裝才干處置掃除缺點。頂部吸住緣由是工程朔料吸附性比金屬吸附性大,朔料浮子桿頂部與朔料止動器面積擴展了,丈量介質又有一定粘度。吸附力理論公式:F=10-2(101-P)S,F是吸附力的大小,S是吸盤面積。從此公式得出結論,減少浮子頂部面積或破壞頂部吸附結構可以處置掃除缺點。
3 流量計改造
改造:在轉子桿頂部開槽使之接觸面積減小,由于朔料硬度有限,改動太大會使流量計浮子不能正常工作,用鐵鋸在朔料浮子桿頂部鋸出十字槽,深度在2毫米左右,轉子頂住上部時不能吸住,對我廠金屬浮子流量計改造后缺點掃除。
我廠金屬浮子流量計在運用過程中存在各種各樣的問題,增加了儀表維護量。究其緣由中止以下改造:
(1)為了便于儀表檢修,防止安裝檢修后初次開車,有金屬及其它渣滓進入儀表,加裝旁路管線和旁路閥;
(2)防止運轉過程中有固體雜質進入儀表加裝過濾器;
(3)為保證流量計穩定工作,流量氣體流量計加裝阻尼器。
在儀表維護檢修過程中,要冷靜思索,不時總結閱歷,思緒清楚,舉一反三,了解儀表工作原理,才干保證消費裝置順利運轉。
一、金屬管浮子流量計構造原理
金屬管浮子流量計是由下而上的流體經過直立的丈量管時,浮子在壓差的作用下上升、浮子上升的高度即代表流量的大小。并經過浮子中的磁鋼與指示器中的磁鋼耦合聯合傳送給指示器,帶動指示器中的指針轉動。
二、金屬管浮子流量計運用與維護
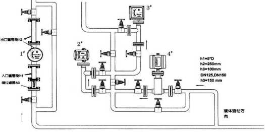
1、裝置金屬管浮子流量計之前一定要將管道內的焊渣、雜物清算潔凈。
2、流量計必需垂直于空中裝置其傾斜度不得超越2°,否則會影響丈量精確度。
3、為了確保流量計的丈量精確性,應在流量計的進口端增加不少于10DN的直管段,出口端不少于5DN的直管段,丈量時調理控制閥必需裝置在流量計的下游。
4、若被測介質為大的脈動流或兩相流,應在流量計的上游裝置緩沖器來消弭或削弱脈動,保證介質的活動是單相穩定的,同時,倡議流量計*好運用阻尼型的。
5.若被測介質較臟或含有導磁顆粒時,應在流量計的上游裝置過濾器或磁過濾器。
6、流量計的裝置應能恰當支撐管道的振動或減少流量計的軸向負荷,否則應增加固定流量計的支撐。
8、對電遠傳及帶報警限位開關的流量計在運用前,翻開儀表蓋,按接線圖示正確接線。關于報警型的旋松限位開關處的螺絲,用戶依據需求設定限位報警位置,并旋緊螺絲,恢復后運用。
9、按儀表指示器中的警示牌,取出運輸中避免浮子振動的阻動件,恢復后再運用儀表。
10、若開啟流量計時,由于管道內沒有壓力或系統還未到達儀表正常運用的工作壓力,必需遲緩開啟控制閥,直到系統正常,儀表方可運用,否則容易形成指針跳動或浮子的忽然撞擊而損壞的現象。
11、用戶運用時,若被測流體的密度與水不同時,或被測氣體的參數和工作狀態與制造廠家規則不同時應對流量計示值讀數停止換算。
三、金屬管浮子流量計常見故障及排除方法
騰泰儀表推薦
相關公司動態
- TT-UFZ簡易式重錘浮標液位計和TT-UFZ翻板式重錘浮標液位計的區別
- 定制HC膜片液位變送器TT-2088G-2M
- 1/2螺紋特殊定制阻旋料位開關
- 差壓變送器一般常見故障
- 氣體渦輪流量計的工作原理和日常維護
- 超聲波明渠流量計的技術參數和接線方法
- 手持式超聲波流量計的工作原理和主要用途
- 流量差報警儀的應用范圍、基本參數和操作方法
- 智能流量積算儀的概述和基本操作
- 電浮筒液位計的原理和應用范圍
- 投入式液位變送器原理、結構及安裝調試
- 智能旋進旋渦流量計的使用方法及參數切換設置
- 液位上下限報警控制、液位高低報警控制及無線
- 超聲波液位計的裝置與設置
- 防爆型超聲波液位計的裝置方式及注意事項
- 氣體腰輪流量計的造型要求和安裝注意事項
- 旋進旋渦流量計與氣體渦輪流量計的主要區別
- TT-LWGY系列渦輪流量計的用途和原理
- 孔板流量計的特點
- TT-UQK浮球液位控制器的調試和安裝
- 磁翻板液位計的安裝保養
- 氣體渦輪流量計如何安裝
- 分體式超聲波液位計接線圖
- 投入式液位變送器在靜、動水中的電氣連接
- 導波雷達物位計測量原理技術要求
- 插入式電磁流量計安裝要求
- 氣體渦輪流量計的使用和維護
- 孔板流量計的安裝要求和維護注意事項
- 浮標液位計的安裝與使用
- 雙金屬溫度計的種類和用途




